Skip to content Skip to sidebar Skip to footer

A Circuit System Is Given In Figure 211

Solved A Circuit System Is Given In Figure 2 11 Assume The Components Fail Independently A What Is The Probability That The Entire System Works B Given That The System Works What Is The

Solved A Circuit System Is Given In Figure 2 11 Assume The Components Fail Independently A What Is The Probability That The Entire System Works B Given That The System Works What Is The

A circuit system is given in figure 211. A massspring system is shown in Figure 212. Selection of base quantities. B Given that the system works what is the probability that the component A is not working.

IA vV PIV W Direction 1 15 20 300 A to B 2 -5 100 -500 B to A 3 4 -50 -200 B to A 4 -16 -25 400 A to B 5U. Equivalent circuit obtained when a voltmeter is used in the simple voltage divider circuit. The system generators buses and transmission lines is protected by six overcurrent relays R.

ÎThe figure shows the current and emf of a series RLC circuit. I or R1 8 8 R1 i 8 R 2 2 i i 2 or R 2 8 8 R2 2 i a i 2 A. The op-amp circuit is in the inverting amplifier configuration and so its transfer function is given by the ratio of impedances with Z RCs in the numerator position.

The output is related to the inputs by the equation. The one line diagram with the data is considered as shown in figure. 1 Increase R 2 Decrease L 3 Increase L 4 Increase C Current lags applied emf φ 0 thus circuit is inductive.

The circuit shown in Figure P53-3 has two inputs v s and i s and one output i o. B the resonant frequency cor. Mohammed Tawfeeq Problem 1.

A RC parallel op-amp circuit. Chapter 8 Solution 4. Determine the value of R2 and of the current i.

The CMOS switch in the sample and hold circuit has a low impedance when turned On and a. A circuit system is given in Figure 211.

Solved A Circuit System Is Given In Figure 2 11 Assume The Components 1 Answer Transtutors

Solved A Circuit System Is Given In Figure 2 11 Assume The Components 1 Answer Transtutors

Solved A Circuit System Is Given In Figure 2 11 Assume The Components Fail Independently A What Is The Probability That The Entire System Works B Given That The System Works What Is The

Solved A Circuit System Is Given In Figure 2 11 Assume The Components Fail Independently A What Is The Probability That The Entire System Works B Given That The System Works What Is The

Solved A Circuit System Is Given In Figure 2 11 Assume The Components Fail Independently A What Is The Probability That The Entire System Works B Given That The System Works What Is The

Solved A Circuit System Is Given In Figure 2 11 Assume The Components Fail Independently A What Is The Probability That The Entire System Works B Given That The System Works What Is The

Solved 1 69 A Circuit System Is Given In Figure 1 10 Assume The 1 Answer Transtutors

Solved 1 69 A Circuit System Is Given In Figure 1 10 Assume The 1 Answer Transtutors

Solved A Circuit System Is Given In Figure 2 11 Assume The Components Fail Independently A What Is The Probability That The Entire System Works B Given That The System Works What Is The

Solved A Circuit System Is Given In Figure 2 11 Assume The Components Fail Independently A What Is The Probability That The Entire System Works B Given That The System Works What Is The

Solved A Circuit System Is Given In Figure 2 11 Assume The Components Fail Independently A What Is The Probability That The Entire System Works B Given That The System Works What Is The

Solved A Circuit System Is Given In Figure 2 11 Assume The Components Fail Independently A What Is The Probability That The Entire System Works B Given That The System Works What Is The

Synthetic Circuits Integrating Logic And Memory In Living Cells Nature Biotechnology

Synthetic Circuits Integrating Logic And Memory In Living Cells Nature Biotechnology

Three Phase Short Circuit Levels For Ieee 25 Bus System With Adding Download Scientific Diagram

Three Phase Short Circuit Levels For Ieee 25 Bus System With Adding Download Scientific Diagram

Electroreception Electrogenesis And Electric Signal Evolution Crampton 2019 Journal Of Fish Biology Wiley Online Library

Electroreception Electrogenesis And Electric Signal Evolution Crampton 2019 Journal Of Fish Biology Wiley Online Library

Scielo Brasil Modeling Of Draft And Energy Requirements Of A Moldboard Plow Using Artificial Neural Networks Based On Two Novel Variables Modeling Of Draft And Energy Requirements Of A Moldboard

Scielo Brasil Modeling Of Draft And Energy Requirements Of A Moldboard Plow Using Artificial Neural Networks Based On Two Novel Variables Modeling Of Draft And Energy Requirements Of A Moldboard

Applications Of Optimization Models For Electricity Distribution Networks Claeys 2021 Wires Energy And Environment Wiley Online Library

Applications Of Optimization Models For Electricity Distribution Networks Claeys 2021 Wires Energy And Environment Wiley Online Library

Prevalence And Risk Factors For Delirium In Critically Ill Patients With Covid 19 Covid D A Multicentre Cohort Study The Lancet Respiratory Medicine

Prevalence And Risk Factors For Delirium In Critically Ill Patients With Covid 19 Covid D A Multicentre Cohort Study The Lancet Respiratory Medicine

A Molecular Photosensitizer Achieves A Voc Of 1 24 V Enabling Highly Efficient And Stable Dye Sensitized Solar Cells With Copper Ii I Based Electrolyte Nature Communications

A Molecular Photosensitizer Achieves A Voc Of 1 24 V Enabling Highly Efficient And Stable Dye Sensitized Solar Cells With Copper Ii I Based Electrolyte Nature Communications

Scalable Neutral H2o2 Electrosynthesis By Platinum Diphosphide Nanocrystals By Regulating Oxygen Reduction Reaction Pathways Nature Communications

Scalable Neutral H2o2 Electrosynthesis By Platinum Diphosphide Nanocrystals By Regulating Oxygen Reduction Reaction Pathways Nature Communications

Passive Component Based Reactive Power Compensation In A Non Sinusoidal Multi Line System Springerlink

Passive Component Based Reactive Power Compensation In A Non Sinusoidal Multi Line System Springerlink

Part 3 Adult Basic And Advanced Life Support American Heart Association Cpr First Aid

Part 3 Adult Basic And Advanced Life Support American Heart Association Cpr First Aid

Device And Circuit Architectures For In Memory Computing Ielmini 2020 Advanced Intelligent Systems Wiley Online Library

Device And Circuit Architectures For In Memory Computing Ielmini 2020 Advanced Intelligent Systems Wiley Online Library

Solved 1 15pts P2 75 The Circuit Shown In Figure P2 75 Chegg Com

Solved 1 15pts P2 75 The Circuit Shown In Figure P2 75 Chegg Com

Keywords Dislocation Keywords Glossary Of Tem Terms Jeol

Keywords Dislocation Keywords Glossary Of Tem Terms Jeol

An 105 Current Sense Circuit Collection Making Sense Of Current Analog Devices

An 105 Current Sense Circuit Collection Making Sense Of Current Analog Devices

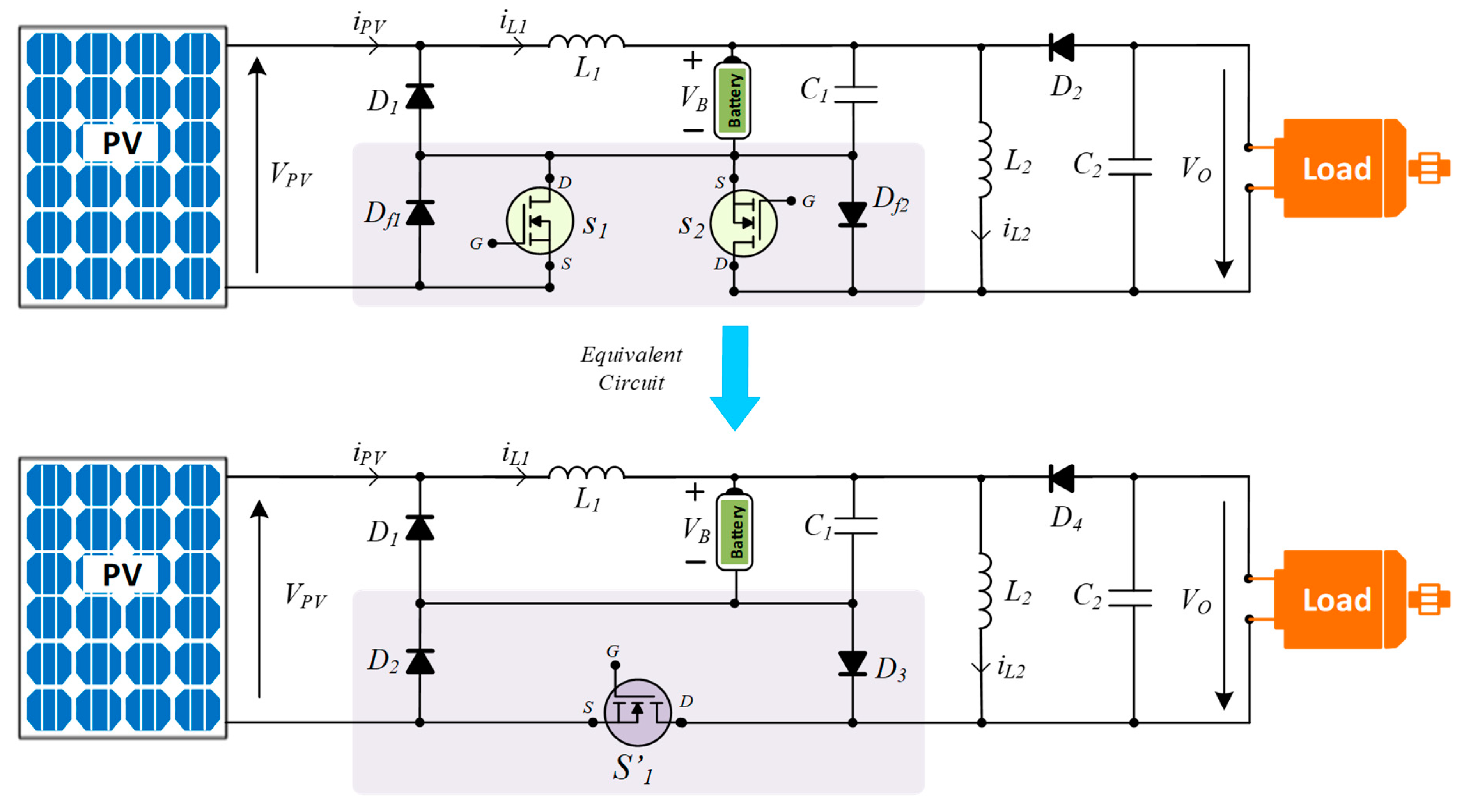
Energies Free Full Text Equivalent Two Switches And Single Switch Buck Buck Boost Circuits For Solar Energy Harvesting Systems Html

Energies Free Full Text Equivalent Two Switches And Single Switch Buck Buck Boost Circuits For Solar Energy Harvesting Systems Html

Development And Physiological Functions Of The Lymphatic System Insights From Human Genetic Studies Of Primary Lymphedema Physiological Reviews

Development And Physiological Functions Of The Lymphatic System Insights From Human Genetic Studies Of Primary Lymphedema Physiological Reviews

Enhancements Of Thermal Conductivities With Cu Cuo And Carbon Nanotube Nanofluids And Application Of Mwnt Water Nanofluid On A Water Chiller System Nanoscale Research Letters Full Text

Enhancements Of Thermal Conductivities With Cu Cuo And Carbon Nanotube Nanofluids And Application Of Mwnt Water Nanofluid On A Water Chiller System Nanoscale Research Letters Full Text

The Utility Of High Flow Nasal Oxygen For Severe Covid 19 Pneumonia In A Resource Constrained Setting A Multi Centre Prospective Observational Study Eclinicalmedicine

The Utility Of High Flow Nasal Oxygen For Severe Covid 19 Pneumonia In A Resource Constrained Setting A Multi Centre Prospective Observational Study Eclinicalmedicine

Accelconf Web Cern Ch

Accelconf Web Cern Ch

Part 3 Adult Basic And Advanced Life Support American Heart Association Cpr First Aid

Part 3 Adult Basic And Advanced Life Support American Heart Association Cpr First Aid

Scaling Up Genetic Circuit Design For Cellular Computing Advances And Prospects Springerlink

Scaling Up Genetic Circuit Design For Cellular Computing Advances And Prospects Springerlink

Integrated Signal And Power Isolation Provide Robust And Compact Measurement And Control Analog Devices

Integrated Signal And Power Isolation Provide Robust And Compact Measurement And Control Analog Devices

Synthetic Gene Circuits As Tools For Drug Discovery Trends In Biotechnology

Synthetic Gene Circuits As Tools For Drug Discovery Trends In Biotechnology

Applications Of Optimization Models For Electricity Distribution Networks Claeys 2021 Wires Energy And Environment Wiley Online Library

Applications Of Optimization Models For Electricity Distribution Networks Claeys 2021 Wires Energy And Environment Wiley Online Library

2

2

Sensors Free Full Text Wireless Power Transfer Techniques For Implantable Medical Devices A Review Html

Sensors Free Full Text Wireless Power Transfer Techniques For Implantable Medical Devices A Review Html

Scaling Up Genetic Circuit Design For Cellular Computing Advances And Prospects Springerlink

Scaling Up Genetic Circuit Design For Cellular Computing Advances And Prospects Springerlink

A Discussion Of Solar Home Systems In Developing Countries Including A Course Scope For Shs

A Discussion Of Solar Home Systems In Developing Countries Including A Course Scope For Shs

Frontiers Picking Your Brains Where And How Neuroscience Tools Can Enhance Marketing Research Neuroscience

Frontiers Picking Your Brains Where And How Neuroscience Tools Can Enhance Marketing Research Neuroscience

An 105 Current Sense Circuit Collection Making Sense Of Current Analog Devices

An 105 Current Sense Circuit Collection Making Sense Of Current Analog Devices

Exergy Flow Diagram An Overview Sciencedirect Topics

Exergy Flow Diagram An Overview Sciencedirect Topics

The Microbiota Gut Brain Axis From Motility To Mood Gastroenterology

The Microbiota Gut Brain Axis From Motility To Mood Gastroenterology

Recent Advances In Nano Opto Electro Mechanical Systems

Recent Advances In Nano Opto Electro Mechanical Systems

Nutrients Free Full Text Nutrition In The Intensive Care Unit A Narrative Review Html

Nutrients Free Full Text Nutrition In The Intensive Care Unit A Narrative Review Html

An 105 Current Sense Circuit Collection Making Sense Of Current Analog Devices

An 105 Current Sense Circuit Collection Making Sense Of Current Analog Devices

A New Memristor Based 5d Chaotic System And Circuit Implementation

A New Memristor Based 5d Chaotic System And Circuit Implementation

Influence Of Electrochemical Active Surface Area On The Oxygen Evolution Reaction And Energy Storage Performance Of Mno2 Multiwalled Carbon Nanotube Composite Roy 2021 International Journal Of Energy Research Wiley Online Library

Influence Of Electrochemical Active Surface Area On The Oxygen Evolution Reaction And Energy Storage Performance Of Mno2 Multiwalled Carbon Nanotube Composite Roy 2021 International Journal Of Energy Research Wiley Online Library

Does Adaptive Thermogenesis Occur After Weight Loss In Adults A Systematic Review British Journal Of Nutrition Cambridge Core

Does Adaptive Thermogenesis Occur After Weight Loss In Adults A Systematic Review British Journal Of Nutrition Cambridge Core

A New Memristor Based 5d Chaotic System And Circuit Implementation

A New Memristor Based 5d Chaotic System And Circuit Implementation

Part 3 Adult Basic And Advanced Life Support American Heart Association Cpr First Aid

Part 3 Adult Basic And Advanced Life Support American Heart Association Cpr First Aid

Quantification Of The Oxygen Uptake Rate In A Dissolved Oxygen Controlled Oscillating Jet Driven Microbioreactor Kirk 2016 Journal Of Chemical Technology Amp Biotechnology Wiley Online Library

Quantification Of The Oxygen Uptake Rate In A Dissolved Oxygen Controlled Oscillating Jet Driven Microbioreactor Kirk 2016 Journal Of Chemical Technology Amp Biotechnology Wiley Online Library

0625 W11 Qp 33

0625 W11 Qp 33

An 105 Current Sense Circuit Collection Making Sense Of Current Analog Devices

An 105 Current Sense Circuit Collection Making Sense Of Current Analog Devices

Academiaedu is a platform for academics to share research papers.

An alternating voltage is given by v 75 sin 200πt - 025 volts. Determine the value of R2 and of the current i. Assume the components fail independentlya What is the probability that the entire system worksb Given that the. V S V. B Given that the system works what is the probability that the component A is not working. For simplicity we will ignore any damping by assuming that the spring is ideal and that there is no friction due to wind resistance. Equivalent circuit obtained when a voltmeter is used in the simple voltage divider circuit. Assume the components fail inde-pendently. A Nichols chart is given in Figure E914 for a system with Gc jÏG jÏ.


In section 21 an RC circuit with only a discharging capacitor was examined. Either 1 Reduce X L by decreasing L or 2 Cancel X. A circuit system is given in Figure 211 Assume the components fail independently. An alternating voltage is given by v 75 sin 200πt - 025 volts. The output is o 045 A when the inputs are i i s 025 A and v s 15 V. Voltage is given Vs10V time is given 0t2 R1 MΩC1μF10-6F question_answer Q. Assume the components fail independently.

Post a Comment for "A Circuit System Is Given In Figure 211"